|
Λεπτομέρειες:
|
| πελάτης: | Φιλιππίνες | Υλικό: | ανοξείδωτο ατσάλι |
|---|---|---|---|
| Διάμετρος: | 1800mm | Πάχος: | 4 mm |
| Υλικό πλήρωσης: | άμμος χαλαζία και ενεργοποιημένος άνθρακας | Βαλβίδα: | Πνευματική βαλβίδα |
| έλεγχος συστημάτων: | Αυτόματη | Παλίνδρομο κύμα: | Αυτόματη |
| Σωλήνας σύνδεσης: | ανοξείδωτο ατσάλι | Πιστοποιητικό: | ISO9001/BV/GMC |
| Επισημαίνω: | multimedia water filter,pressure sand filters for water treatment |
||
φίλτρο άμμου για τη βιομηχανία γάλακτος



Περιγραφή φίλτρου ενεργού άνθρακα:
Το φίλτρο ενεργού άνθρακα αφαιρεί κυρίως το υπολειπόμενο χλώριο (πάνω από 98%) από το νερό με την πορώδη και απορροφητική φύση του ενεργού άνθρακα, και μπορεί επίσης να αφαιρέσει αποτελεσματικά οργανικά, κολλοειδή, βαρέα μέταλλα, χρωστικές και οσμές. Ο εξοπλισμός μπορεί να χρησιμοποιηθεί για την προ-επεξεργασία για αντίστροφη όσμωση, υπερδιήθηση και σύστημα ανταλλαγής ιόντων, και μπορεί να βελτιώσει την ποιότητα του νερού εισόδου διαφόρων εξοπλισμών επεξεργασίας νερού και να εξασφαλίσει την αποτελεσματική και σταθερή λειτουργία του επόμενου εξοπλισμού.
Πεδία εφαρμογής:
Χρησιμοποιείται ευρέως στην ηλεκτρική ενέργεια, τα ηλεκτρονικά, τα ποτά, το νερό, το πετρέλαιο, τα χημικά, τη μεταλλουργία, τα υφαντουργικά, το χαρτί, τα τρόφιμα, τις πισίνες, τη δημοτική μηχανική και άλλες περιοχές προ-επεξεργασίας νερού διεργασίας, οικιακού νερού, πόσιμου νερού, ανακυκλωμένου νερού και λυμάτων.
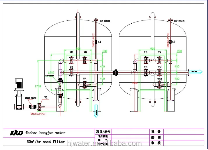
Δείγμα σχεδιασμού του φίλτρου μας:
Φίλτρο άμμου χαλαζία
Μοντέλο: MMF-2000 × 3200 (διάμετρος × συνολικό ύψος)
Υλικό: ανθρακούχο χάλυβας με εποξειδική επίστρωση εσωτερικά
Ροή: 30m3/h
Πάχος καπακιού: 8mm
Πάχος σώματος φίλτρου: 6mm
Μέσο: Άμμος χαλαζία - 6600KG
Συμπεριλαμβανομένων: φίλτρο, βαλβίδα, μετρητής πίεσης, σωλήνας, άμμος χαλαζία
Σχέδιο:

Χρησιμοποιούμε τυπικούς τρόπους συσκευασίας εξαγωγής για να αποφύγουμε ζημιές στο φορτίο κατά την αποστολή.

Αποστολή:Παρέχουμε υπηρεσία αποστολής και όλα τα είδη πιστοποιητικών, π.χ.: CO, F/A, F/F....και ούτω καθεξής.


Foshan Hongjun Water Treatment Equipment Co., Ltd - Ειδικός στην Επεξεργασία Νερού

Η φιλοσοφία μας είναι "Χρησιμοποιώντας την πιο προηγμένη τεχνολογία, παρέχουμε την υψηλότερη ποιότητα μηχανικής και την καλύτερη εξυπηρέτηση στην πιο λογική τιμή".

Ανυπομονούμε να συνεργαστούμε μαζί σας.
Επιλέξτε εμάς: Επιλέγετε επαγγελματίες! Επιλέγετε την σιγουριά!
Έκθεση:

Προσόντα & Πιστοποιήσεις Εταιρείας:



| φίλτρο άμμου από ανθρακούχο χάλυβα |
1. Ποιος είναι ο τιμοκατάλογος;
Παραθέτουμε προσφορά σύμφωνα με λεπτομέρειες από μια συγκεκριμένη μονάδα επεξεργασίας νερού που σχεδιάζεται με βάση την κατάσταση του ακατέργαστου νερού, τις απαιτήσεις επεξεργασίας και την χωρητικότητα από τους πελάτες μας ή λεπτομέρειες συγκεκριμένων σχεδίων από τους πελάτες μας ή συνεργαζόμενες μηχανικές εταιρείες.
2. Τι πιστοποιήσεις έχουμε & τι εγγύηση έχουμε;
Είμαστε πιστοποιημένοι από ISO, BV και TUV. Ο εξοπλισμός μας έχει εγγύηση ενός έτους.
3. Πώς να πληρώσετε;
Το TT εκτιμάται περισσότερο. Η πρακτική μας είναι TT. 40% προκαταβολή πριν την παραγωγή, 60% υπόλοιπο πριν από τη φόρτωση με TT.
4. Πώς να κάνετε επιτόπια εγκατάσταση; / πώς να ξεκινήσετε / να λειτουργήσετε / να απενεργοποιήσετε / να συντηρήσετε;
Προσφέρουμε εγχειρίδιο / εικονογράφηση / σχέδιο για εγκατάσταση και λειτουργία και συντήρηση. Ειδικός τεχνικός μπορεί να σταλεί για να καθοδηγήσει και να εκπαιδεύσει εάν είναι απαραίτητο τον πελάτη, αλλά μια λογική αμοιβή θα καταβληθεί από τους πελάτες.
Υπεύθυνος Επικοινωνίας: Ms. Candie Liang
Τηλ.:: +8618823149433